Talking about the bass treble circuit it is comparatively much simpler and gainful. The whole bass treble circuit is designed such that it is fit with any stereo systemusing the power supply from the stereo system itself as the total power supply required for this circuit is only 12 volt dc the bass treble circuit is reduced and made more effective.
Bass And Treble Control Without Any Ic And Transistor Eeweb
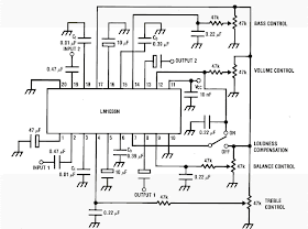
Bass treble volume control circuit diagram. Now you can control the bass treble and volume by rotating three potentiometer on the circuit. To operate the circuit connect the components as per the circuit diagram give 15v and 15v supply to tl072 opamp and give audio input from mobile by connecting 35 mm audio jack to the circuit. The second stage is doing all the magic its going to be a long theory to explain how bass treble control is working. Also a tone control. Circuit description of bass treble circuit. We have two circuits both transistors op amp as main so smaller but high gain signal.
Values on the circuit diagram are subject to changes. All the circuit diagrams are using transistors and ics like c5200 a1943 d718 b688 la4440 etc. Stereo baxandall bass and treble control. The first rc filter stage is around the volume control and the second stage is around the bass treble control circuit. You used to see the passive tone control circuit. All the headings of each circuit diagram is designed clickable to watch the related project videos.
Which low quality than active tone control. Hii friend today i am going to make a circuit of volume bass and treblethis circuit will control the volume of amplifier and bass and it will also control the treble of the amplifierthis circuit will be only for single channel audio amplifierthis circuit i will use in 6283 ic single channel audio amplifier boardas we learnt the wiring of 6283 ic amplifier board in previous blog. This is bass treble tone control circuit diagram as ideas. Resistor r7 gives the isolation between bass and treble. Need a volume control and preferably also a tone control. This kit comes complete with all input output connections and.
Below is the list of circuit diagrams of mono and stereo amplifiers bass and treble used in all amplifier project videos of this website. Now i want to suggest you this circuit has 2 forms are.


















