This page contains information on the megasquirt relaypower distribution board for the megasquirt efi system. There is an separate internal wiring diagram for the relay board.
Wiring Details
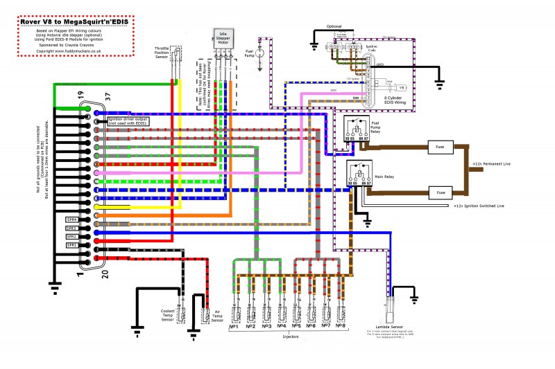
Megasquirt relay board wiring diagram. Use our relay cable to connect the relay board to the megasquirt and the wire bundle to connect the relay board to the engine. The relaypower board is designed to be installed in the engine compartment and interconnected to the megasquirt ecu using a remote cable. How to earn millions from the coronavirus recession robert kiyosaki duration. Note that the fuses and relays are already in the stock wiring so you will not need to change these. The norm to me with a v3 pcb and edis is to use the tach input db37 pin 24 marked 15 tachign on the relay board for pip and the ignition output pin36 db37 marked 11 s3 on relay board for saw. The outputs that go to the main board are routed through the relay cable while connections to the ms3x use a separate connector.
The relay board takes 12v from the vehicle and passes it to the megasquirt efi controller but it also handles fuel pump relay and other wiring needed from the engine side. Ms 2 v3 unassembled kit 37500 shipping vat. This allows the mounting of the megasquirt ecu in the passenger compartment which keeps the ecu from experiencing the severe under hood. Ms 2 v3 fully assembled 25 bar map sensor good for normally aspirated or boosted engines to 30psi max comes with a resonable map to get you up and running wiring diagram you can download from this site db37 plug and db9 cable to connect to your pcprice 44500 and shipping vat. Braden carlson 5977 views. Here is an external wiring diagram for the v30 board.
The ignition control signal from megasquirt ii on db37 pin36 corresponds to the relay board pin s5 of the 20 position terminal strip. This is a quick video going over the basic wiring of a megasquirt ecu into my 280z turbo build. How do i use the relay board with an ms3x. If you are using a stepper motor iac with the relay board and have connected the wires for the iac to db37 pins 25 27 29 and 31 then. With the appropriate links on the v3 pcb. Dont throw it away by any means but the megasquirt should be able to be wired in pretty much standalone with what you have on the list with just an input from the ignition signal from the key and a power supply to the relay board.
Because ms is so flexible it would be impossible to print all the options on the relay board pcb. As always comment if theres any questions comments or. What wiring do i use with the relay board. Megasquirt relay board more v8 burnouts duration. V22 wiring is identical except that you will connect the tfi spout signal to pin 25 instead of 36. This is pretty standard for any vehicle.
1a goes to s1 on the 20 position terminal strip of the relay board.
















