Assortment of leviton 3 way dimmer switch wiring diagram. You may be in a position to learn specifically if the projects ought to be finished which makes it easier for you personally to.
Leviton 5 Way Switch Wiring Diagram Wiring Diagrams
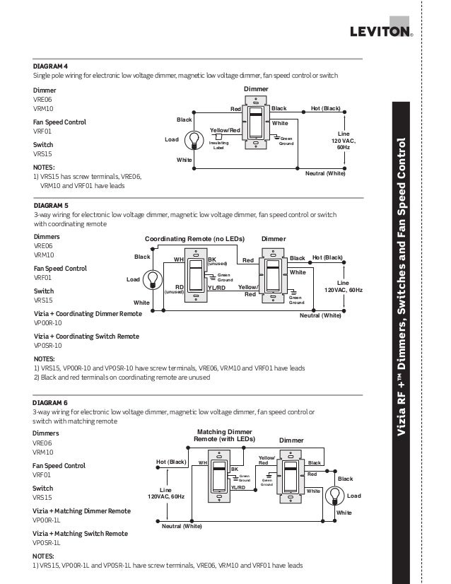
Leviton dimmer switch wiring. Leviton 3 way dimmer switch wiring diagram data wiring diagram site leviton dimmers wiring diagram. Leviton decora smart wi fi 600w incandescent300w led dimmer no hub required works with alexa google assistant 5 pack model vb5 dw6hd hd5 view the decora smart wi fi collection. Leviton manufactures light switches dimmers afcis gfcis outletsreceptacles lighting controls wiring devices and networking products and solutions for residential commercial and industrial applications. Dan richard fishing recommended for you. How to properly install wiring for a 24v minn kota trolling motor with a circuit breaker. It reveals the elements of the circuit as simplified forms as well as the power and also signal connections in between the tools.
Furthermore wiring diagram provides you with time body during which the projects are for being finished. A wiring diagram is a streamlined conventional pictorial depiction of an electrical circuit. Available in a wide variety of designs our dimmer switch help conserve energy and to reduce overall energy costs. Levitons collection of dimmers is the ideal tool to help you create the perfect ambiance within a room.















