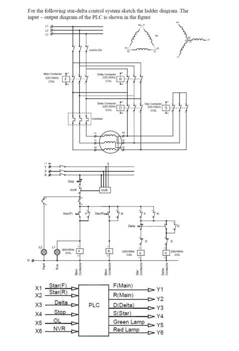
Ladder diagram of stardelta starter with a mitsubishi plc. The following section of plc tutorial will explain the ladder programming for star delta motor starter.
Ladder Logic 302 Data Tracking And Structure Data Type
Ladder diagram star delta. The following section of plc tutorial will explain the ladder programming for star delta motor starter. It includes a lot explination and a lot of great power and control circuit diagrams. Related article to the star delta ladder diagram. Dol starter control diagram. Example 5 is on page 30. Jan 12 2019 motor contactors are controlled by using plc.
Controlling water level in the plc ladder logic program. This is a big advantage of a star delta starter as it typically has around 13 of the inrush current compared to a dol starter. Star delta starter plc ladder diagram control circuit plc program hindi duration. In this ladder diagram we have used two push buttons one for start and one for stop timer on delay timer three contactors for main star and delta. The contactors are controlled by using plc. Genus controls 9331 views.
Bastics of the electrical current. Star delta starter ladder diagram. Star delta starter of. Figure shows the star delta starter ladder diagram. 3 phase star delta motor wiring diagram 3. The star delta starter is a common method used in starting heavy three phase motors.
Star delta starter of the induction motor. In this tutorial we will show the star delta y δ 3 phase induction ac motor starting method by automatic star delta starter with timer with schematic power control and wiring diagram as well as how star delta starter works and their applications with advantages and disadvantages. Ladder diagram for the dol starter. Requirements to make a dol starter using plc. Plc basics construction working and their uses. Related article to the dol starter ladder diagram.
Programming allen bradley slc 500 controllogix plc intro. Another great example of how to use a plc for stardelta start of an ac motor is example 5 in the pdf file below. What is a volt complete theory. A star delta starter is a type of reduced voltage starterwe use it to reduce the starting current of the motor without using any external device or apparatus. When the motor gains speed the star contactor is opened while delta contactor is closed turning the motor windings into delta configuration. Dol starter ladder diagram.
12222011 111300 am automized 4 plc program for star delta starter star delta starter control wiring diagram typical circuit diagram of star delta starter a a print email.















