Pete combicert 10245 views. Wiring hive thermostat to combi boiler duration.
Pdf Ambient Backscatter Wireless Communication Out Of Thin Air
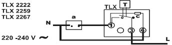
Tower rf wireless room thermostat wiring diagram. Plus many models of thermostat on the market are pretty standard in size so the most you might have to do is make a couple of new holes to fit the new one. Contractor packs trv. In my opinion you cant go wrong with the nest learning thermostat. Ts1 single channel timeswitch. They work by automatically sensing the air temperature and when the temperature falls to a pre determined setting the thermostat will tell the heating to turn on. The receiver serves for wiring connections and heatcool onoff control the transmitter serves as the user interface and for temperature sensing control.
We have a great range of wireless thermostats available that make it easier to control your heating remotely. Pr2 two channel programmer. The model fitted in this video is the honeywell cm921 wireless programmable room. The two units are linked by radio frequency rf. Pr3 three channel programmer. Unlike conventional thermostat devices this control is a new type of thermostat which separates the functions into two units.
If you want top technology and plenty of features without the hassle this model is certainly worth a look. Wiring diagrams contains all the essential wiring diagrams across our range of heating controls. Our wiring diagrams section details a selection of key wiring diagrams focused around typical sundial s and y plans. Improve your central heating performance fit a digital room stat duration. Best wireless thermostat overall ok the learning way of programming may feel a bit uncomfortable at first but before you know it you will never want to go back. Wireless room thermostats can often save fuel as they keep the room at the exact temperature that you require.
For a start the wiring is already in place on your old one so you dont have to go looking for them. Hi everyone im looking at fitting a wireless room thermostat to my boiler as im having issues with it not working correctly and think its down to the location ive a baxi combi 105he boiler currently with a honeywell thermostat fitted i want to swop it over to a salus ert20rf but the wiring looks so different mine currently has 3 wires live neutral and earth the wiring diagrams of the.
















