Thanks for sharing nissan x trail wiring diagram and electrical system schematics 2006 by ares may 1 2012. Nissan x trail electrical wiring diagram manual pdf download 1.
Mitsubishi Wiring Schematics H1 Wiring Diagram
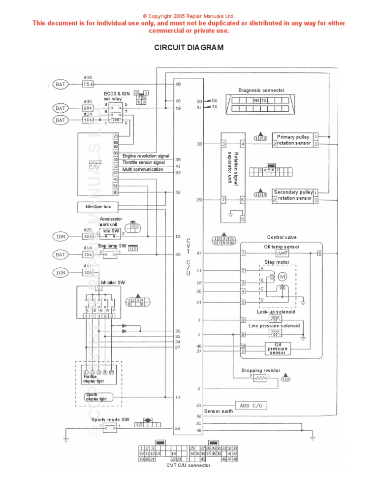
Nissan x trail electrical diagram. Nissan car fault codes dtc. Nissan x trail trailer wiring diagram nissan x trail t30 towbar wiring diagram nissan x trail towbar wiring diagram nissan x trail trailer wiring diagram people today comprehend that trailer is a vehicle comprised of quite complicated mechanisms. Therefore it could not be better suited for hunting or fishing trips. The first passenger car datsun off the line in 1935 and soon nissan started exporting to australia. The nissan x trail wiring diagram and electrical system schematics 2006 very good for beginner. This is the nissan x trail car service manual document.
It has successfully combined such qualities as strength maneuverability smoothness and comfort. This car is designed not only to travel 1 location to another but also to take heavy loads. Operation manual repair manual and maintenance manual for nissan x trail cars from 2000 to 2015 with a 20 petrol engine. Nissan x trail electrical wiring diagram manual pdf downloadgo to download full manualgeneral information engine mechanical engine lubrication system engine cooling system engine controlsystem fuel systemexhaust system accelerator control system clutch manual transaxle automatictransaxle transfer propeller shaft rear. Some nissan car owner service manuals pdf and a lot of wiring diagrams above page 370z altima armada cube frontier gt r juke leaf maxima murano pathfinder quest sentra titan versa xterra. Powerful japanese x trail is appreciated by those who like to travel on the road.
If you are an expert people you can use this manual as reference. The information provided in service manual dodument is absolutely complete. This guide will be talking nissan x trail trailer. The document can be used for x trail year 2005 and 2006 and might be used for other x trail for different years.
















