I have just setup a digispeed alongside a 15kw huanyang inverter. Using output board with planetcnc controllers.
How To Program Huanyang Vfd 2 2kw
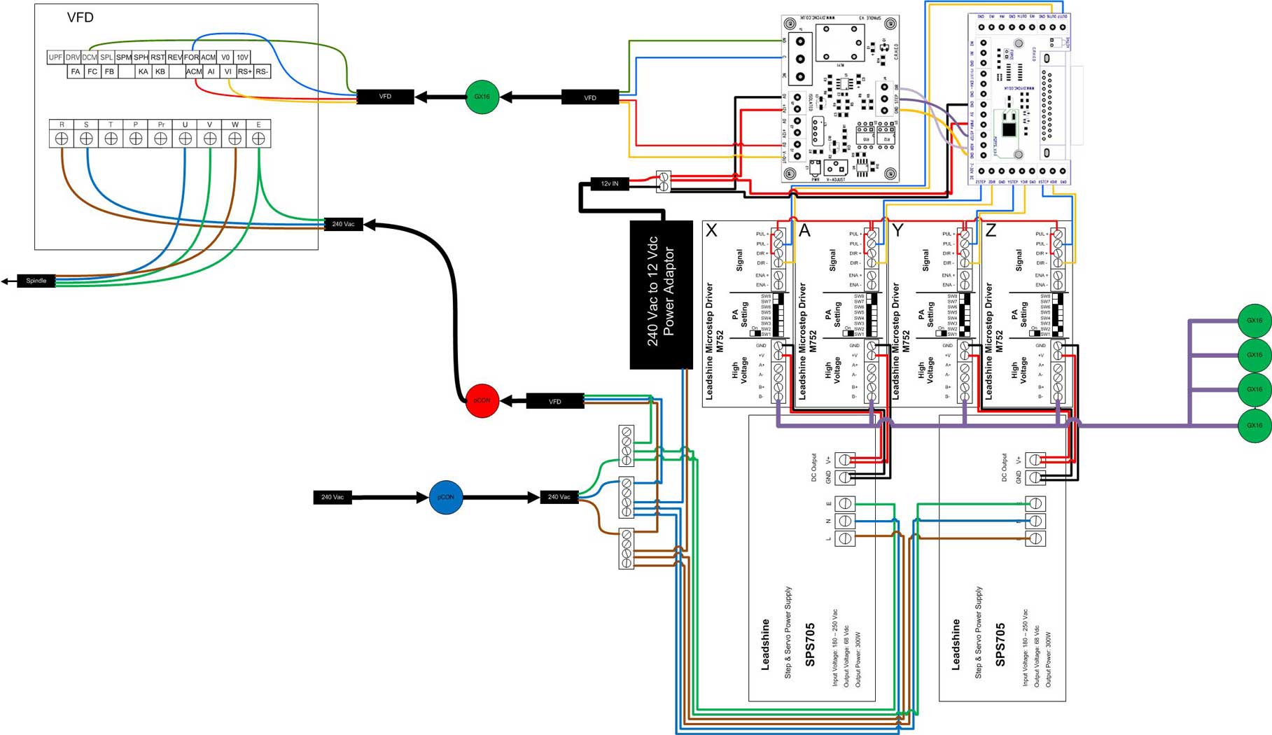
Huanyang inverter wiring diagram. If you dont use shielded cable you will need to change the debounce setting in mach3 if that is the control program you are using. The vfds showed in the video are the d720s 230v single phase and the d720 230v three phase. Huanyang 40 kw inverter vfd how to setup and wire single phase 220v bridgeport mill phase converter duration. All the settings and configurations i have followed as per the information i have read on this forum. This inverter has a great deal of features and settings as well as a modbus interface. We strongly recommend using a certified electrician to set up your vfds.
Our kit customers select various places for these switches so we dont supply the wiring. D c 1744 views. Learn the basic wiring of variable frequency drives vfd with our electrician steve quist. The hookup wires you will need is 22 to 24 awg stranded and shielded for the wiring of the limit switches and estop. Model hy a 07d5 43 b software version voltage rating 43 means 3 phase 380v. In this video we used the very popular mitsubishi d700 series vfd showing single phase and three phase wiring instructions.
Huanyang electrical coltd china supplier of vfd frequency drive inverter. I have my terminals 3 terminals setup as vr10v vi 0 10v input and acm analog common ground. The hy02d223b type 1 as i call it is sometimes referred to as the genuine huanyang inverter. You can purchase various genuine huanyang inverters with ether 220v or 110v input. Please follow this link to introduce yourself with output board and controller pin configuration. When i turn on the spindle with mach3 i get corresponding voltage.
For purposes of this tutorial we will use mk34 controller and chinese huanyang vfd which is a well known piece of equipment among hobby machinists around the world. Djb hsi 219090 views. Description of terminal block 13 3. Huanyang inverter vfd wiring for x controller duration. Huanyang inverter hy series changed to 50hz 60hz parameter setting. Main circuit wiring schematic diagram 11 2.
In addition either input type can drive 220v and 110v 3 phase motors. Huanyang electronics co ltd. Basic connection diagram 15. Wiring or component of the inverter by yourself.














