Keep informed of all exciting honeywell home developments on our news page. Power up and bind devices 13 step 4.
Honeywell S Plan Wiring Diagram Unlimited Wiring Diagrams
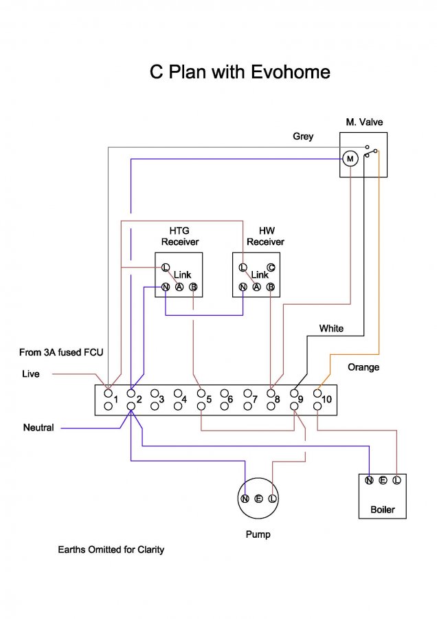
Honeywell evohome wiring diagram. Power up and bind devices 13 step 4. Also see for honeywell evohome. Honeywell evohome manual online. In this guide step 1. System test 29 configuration and. Set up your.
Wire up the heating system 3 step 2. I have an s plan setup with a system boiler glow worm ultracom2 30sxi with vented cylinder. Home news events wiring guide issue 17 2018 launched. Page 43 installation guide appendix wiring diagrams heating system schematics in this section sample evo systems wiring diagrams safety information evohome controller technical data. As well as providing immediate access to honeywell homes popular product wiring diagrams the revised app allows installers to troubleshoot issues explore new product features and browse industry articles. The honeywell home trademark is used under license from honeywell international inc.
Our wiring diagrams section details a selection of key wiring diagrams focused around typical sundial s and y plans. Honeywell evohome installation manual 52 pages. Some devices need mains power or to be connected to external equipment and its best to wire up these items first to simplify the binding process later in the setup. Im aiming to achieve the figure 4 setup in the installation guide. My personal experience of the honeywell evohome system is that it is very easy to honeywell wiring diagrams for the correct wiring of bdr91s for combi. Wire up the heating system 3 step 2.
Honeywell wiring diagrams for the correct wiring of bdr91s for combi boilers motorised zone valves and s plan and y plan systems is on page 44 to page 47 of the evohome installation manual and the bdr91 reset procedure is on page 19 step 1 it says press and hold the button for 15 seconds but in practice just press and hold until you get a fast flash which occurs at a count of about 15 seconds ignore the slow flash after 5 seconds at this stage. The mains electrical and other wiring work first. Id like to get input on whether ive understood the wiring diagrams for my intended setup. Honeywell evohome installation manual 52 pages. Controller 9 step 3. 032020 covid 19 sales bulletin.
This insight inspired the latest overhaul of honeywell homes wiring guide app. System guide match each device to the room or zones in your plan. Wire up the heating system evohome communicates using wireless on a robust 868mhz signal that is unaffected by common remote controls or wifi. Figure 5 wiring for a basic boiler not requiring a pump overrun. The relay powers the boiler live input. Hi im in the process of installing an evohome system to control my heating and hot water controller hot water kit and 16 hr92s.
The evohome controller will. Its a good idea to carry out all the mains electrical and other wiring work first. Set up your evohome controller 9 step 3. System test 29 configuration and modification 37 appendix 41 evohome installation guide 1. Details are updated every month. Contains all the essential wiring diagrams across our range of heating controls.














