Generac transfer switch wiring diagram gif throughout generator from generac amp automatic. Available in 10 or 16 circuits.
Generac Smart Transfer Switch Wiring Diagram H1 Wiring Diagram
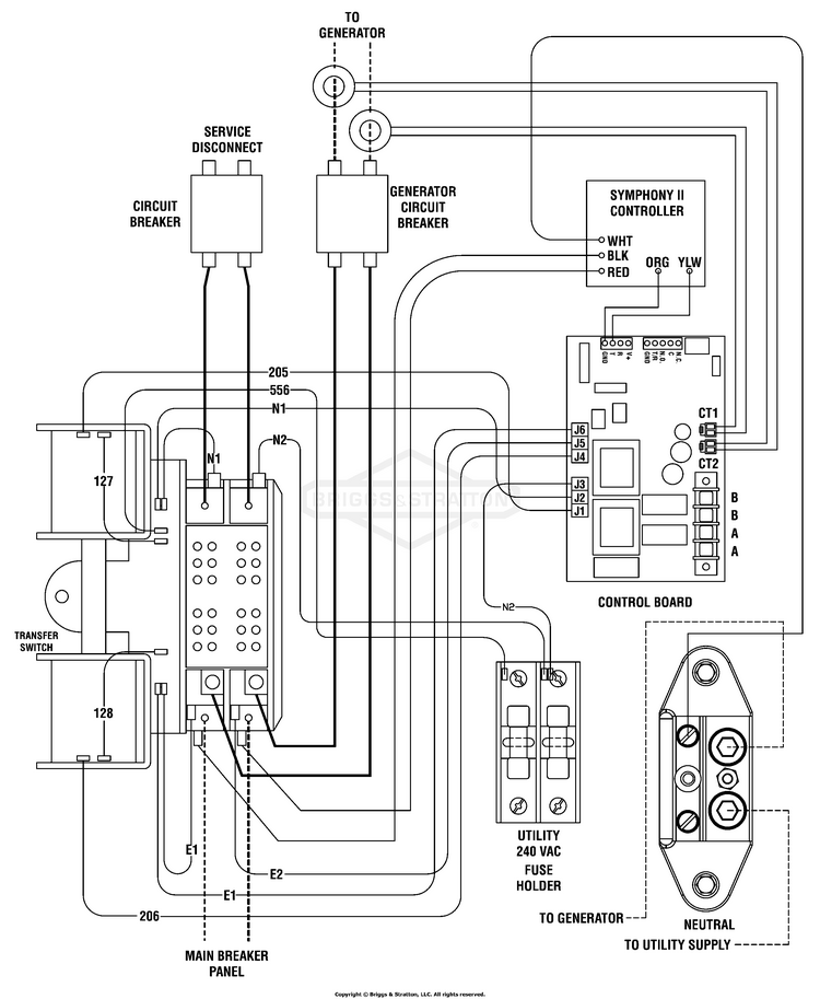
Generac 200 amp automatic transfer switch wiring diagram. Generac 200 amp transfer switch wiring diagram whole house transfer switch wiring diagram fresh generac 200 automatic transfer switch wiring diagram 973 file type. Awesome generac amp automatic transfer switch wiring diagram pleasant to help the weblog in this particular period im going to demonstrate regarding generac amp automatic transfer switch wiring diagramand today here is the primary picture. It reveals the elements of the circuit as simplified forms and the power as well as signal links between the tools. Whole house transfer switch wiring diagram beautiful generator. Switch and the tungsten load does not exceed 30 percent of the switch rating. Pre wired switch generacs pre wired switch is an automatic transfer switch and distributed load center that backs up selected circuits for essential circuit coverage.
This transfer switch is suitable for use on a circuit capable of 22000 rms 200a and 10000 100a symmetrical amperes 240 vac maximum. Generac 400 amp transfer switch wiring diagram download. This ul listed transfer switch is for use in optional standby sys tems only nec article 702. Generac 200 amp transfer switch wiring diagram collections of generac 200 amp automatic transfer switch wiring diagram sample. A wiring diagram is a simplified standard pictorial depiction of an electrical circuit. Assortment of generac 200 amp automatic transfer switch wiring diagram.
Generac manual transfer switch wiring diagram sources. Pre wired for the easiest and least expensive installation on the market they are an excellent value when whole house coverage is unnecessary.
















