The 4 point starter has a lot of constructional and functional similarity to a 3 point starter but this special device has an additional point and coil in its construction as the name suggests. A 4 point starter protects the armature of a dc shunt motor or compound wound dc motor against the initially high starting current of the dc motor.
                        Dynamic Breaking With A Dc Motor Reversal Control
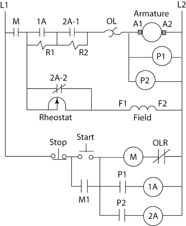
Dc motor starter circuit diagram. Basic wiring for motor control technical data. High power 30a dc motor speed control circuit pwm lm358 cd4093. The self excited motors are further classified as shunt wound or shunt motor series wound or series motor and compound wound or compound motor. First one is separately excited dc motor and self excited dc motor. Three point manual dc motor starter circuit diagram. The motor current is carried by the power main contacts of the contactor.
The only drawback or limitation of the four point starter is that it cannot control the speed of the high current in the motor. On the automatic mode motor a has to run for 3 minute then motor b comes on also. Types of dc motor a direct current motor dc is named according to the connection of the field winding with the armaturemainly there are two types of dc motors. 555 timer circuits motor control circuit power electronic projects. Well its due to the presence of back emf e b which plays a critical role in governing the operation of the motor. Complete circuit diagram for the motor controller along with the parts list has been included here.
Working principle of 4 point starter. On the manual mode motor a and motor b can be controlled separately by selector switch. The schematic diagram of the. The power circuit connects the line to the motor. When the motor winding is opened under the working condition then the field current usually decreases to zero. Wiring diagrams show the connections to the controller.
The electromagnet that holds the starter in the run position is in the field circuit. Can you help me with the controlled diagram. Now the question is why these types of dc motors require the assistance of the starter in the first place. Wiring diagrams sometimes called main or construction diagrams show the actual connection points for the wires to the components and terminals of the controller. Dc motor speed control circuits 12 32 volts 30 amps of power can operate with speed control pwm technique is. The speed is controlled through an externally applied varying dc voltage source.
The most striking feature of this circuit is its ability to provide full torque even at minimum motor speeds. This is the other motor starter circuit which operates the contactor to turn it on or off. It provides transmission of electricity through the starter contacts overload relay and then to the motor. 4 point starter circuit diagram drawbacks of 4 point starter. This starter is a so called three point starter. This type of starter can be used for shunt and compound motors and if the field is lost the starter drops out protecting the motor against runaway.
A 3 point starter is a device that helps in the starting and running of a dc shunt motor or compound wound dc motor similar to a 4 point starter.
















