In addition we may also wire a portable generator to home. The transfer switch is the device that transfers the power from the utilities power to the standby generators power as shown in figure 1.
Home Wiring Diagrams Backup Generator Transfer Switch Diagram
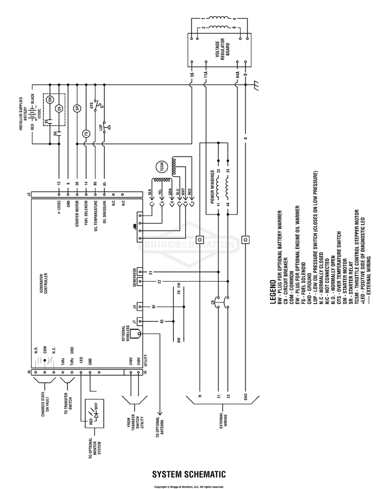
Backup generator connection diagram. It reveals the components of the circuit as streamlined forms and the power as well as signal connections in between the tools. A permanently installed generac home backup generator protects your home automatically. If you are installing a standby generator in order to have some electrical power to your home in the event of a utility power outage it is important that you understand how to properly install a transfer switch. A wiring diagram is a simplified traditional pictorial representation of an electric circuit. Collection of standby generator wiring diagram. A generator is a core component to many peoples emergency preparedness plans.
Maybe you have a cool charcoal powered or a multi fuel generator however many fail to think through how exactly they will power the items they want to run when the. Before you turn the system on check that the throttle for the engine is in the correct position and that the engine has enough oil. Easy generator to home hook up. In this step by step tutorial we will be showing the portable generator wiring and connection diagram to the home supply and main distribution boardwe will be using automatic changeover switch also known as automatic transfer switch ats manual changeover switch mts or manual transfer switch to connect the generator to a house. 46512 46565 41535 and 41552 wiring diagram. Auto transfer switch wiring diagram wiring diagram radixtheme.
Wiring diagram standby generator best wiring diagram for a generator. Before connecting a portable generator to your house place the generator as far away from your home as you can to prevent fire or carbon monoxide poisoning. Ats wiring diagram for standby generator collections of generac ats wiring diagram download. Eps engine power source eps 20kw diesel wiring diagram eps 2120 diesel generator. Tva sent a technician with a meter to make sure that if the grid power goes off my solar array will not back feed into the grid possibly endangering a lineman. Figure 1 generator transfer switch.
Empower series wiring diagram home generator system model 040234 15kw wiring diagram powerboss 7kw wiring diagram. Es52 wiring diagram gsc300 wiring diagram. Generac ats wiring diagram download. There are many different ways to connect the gcc to your buildings electrical power distribution system. Downloads manual wiring diagram grid tied solar with backup generator etc. The generator connection cabinet gcc provides a connection point only for a portable generator or load bank.
A consulting electrical engineer can help determine the optimal configuration to meet your facilitys needs. Then plug the generator into the hookup on your house. A home backup generator delivers power directly to your homes electrical system backing up your entire home or just the most essential items. Wiring diagram grid tied solar with backup generator. It runs on natural gas or liquid propane lp fuel and sits outside just like a central air conditioning unit. Below are some examples of typical applications.

















