Types of 35mm jack. 14 jack options include open frame enclosed straight and right angle pc terminals and solder lugs two and three conductor.
35pm1 Switchcraft Inc Connectors Interconnects Digikey
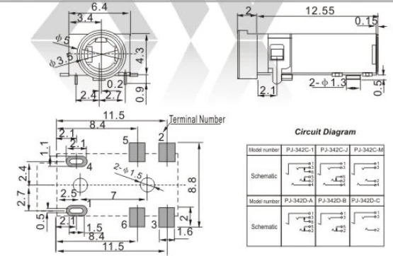
1 8 stereo panel mount audio jack wiring diagram. You will get same sound from both the sides. Wire a 35mm stereo audio plug with help from a graduate of full sail university in recording. This specific example does not include switches. Need help splicing usb to headphone cord solved audio audio pertaining to usb to audio jack wiring diagram image size 458 x 395 px. Philmore 35mm 18isolated mini stereo female panel mount headphone jack. 70 534 43 out of 5 stars 51.
Basic drawing of an audio plug and jack schematic. Below is a plug diagram and basic schematic including the typical terminal designations. Most orders ship within 1 business day. Our 35mm stereo panel mount connector will provide an inexpensive solution for creating a three channel audio cable. Philmore 35mm 18isolated mini stereo female panel mount headphone jack. 35mm stereo female terminal block are good solution for field wiring tasks.
Below is the pinout of ts type male audio jack. It was invented for use in telephone switchboards in the 20th century and. This enclosed closed circuit jack mounts on your pc board and accepts 18 stereo jacks. These types of audio jacks does not support stereo sound and microphone which means there is no left and right. Wide range of 14 jacks and plugs for various applications. A trs connector tip ring sleeve also called an audio jack phone jack phone plug jack plug stereo plug mini jack mini stereo or headphone jack is a common analog audio connectorit is cylindrical in shape typically with three contacts although sometimes with two a ts connector or four a trrs connector.
For this example we will focus on the standard stereo connector with 3 conductors. 70 534 799 only 17 left in stock order soon. Ancable 5 pack 18 35mm trs stereo panel mount audio aux jack for headphones 41 out of 5. 90 days covid 19 info. Sold by techcables and ships from amazon fulfillment. 1 8 stereo panel mount audio jack wiring diagram 35 mm stereo in usb to audio jack wiring diagram image size 800 x 583 px.
35mm stereo female terminal block with a nut for. Ts type male audio jack. A stereo connector can be identified by the two black plastic bands near the. When reading the schematic think of the plug being inserted from left to. Still used on musical equipment especially in electric guitars and aviation. Options include straight and right angle plugs metal and plastic handles two and three conductor.
When wiring a 35mm stereo audio plug youre always going to need a few key tools like wire clippers.
Gallery of 1 8 Stereo Panel Mount Audio Jack Wiring Diagram
















